致敬经典之作:锐榜 LS3/5A 音箱套件浅析
原作者: 小路
简介:音响在于“玩”字,这是乐趣所在,因此想要挑战自己的玩家,也可以对分频器的电路进行细小的修改,使音箱发出更符合自己口味的声音,用家最好保留原版的分频器,以备复原之用。
LS3/5A,音响界长久不衰的神话,在停产之后又不断地重生,不知道有多少音响发烧友为之痴迷,又不知道有多少厂家与DIY爱好者为之折腰。总之,LS3/5A已经成为一种现象、一种文化,不管你喜不喜欢,它都在那里。
LS3/5A的复刻者众,有厂家和民间高手,但质量参差不齐,公认比较好的售价数千,BBC认证的则要过万甚至数万,而更多山寨货不仅价格偏高,且质量好坏也不得而知,这让许多对LS3/5A复刻版眉来眼去但囊中羞涩的朋友望而却步。
早期的LS3/5A是否有套件出售已经不好考证了,但在此之前与LS3/5A相关的套件却闻所未闻,直至锐榜推出了复刻的LS3/5A套件,并以相对亲民的价格销售,这让许多青睐LS3/5A的朋友有机会品赏这种衍生于BBC的声音。
锐榜是以研制家庭影院系统起家的,且在2018年便推出了第一款Hi-Fi书架式音箱——B501,而LS3/5A是其推出的第二款Hi-Fi书架式音箱。除了套件之外,锐榜LS3/5A也有成品出售,价钱当然要高一些。在锐榜推出LS3/5A套件之后,我们得到了体验的机会。
锐榜 LS3/5a 技术参数 ■ 阻抗:11Ω ■ 灵敏度:83dB/2.83V/1m ■ 频率响应:74Hz-19kHz(±3dB) ■ 分频点:3kHz ■ 净重:9.8kg(对) ■ 尺寸:305×190×170mm对于本套件的介绍,大家可以参阅2021.8月刊《探究BBC的声音 向经典致敬:RESPOND 锐榜 LS3/5a 音箱套件》一文,本文也将对本套件作简单的分析。
要复刻LS3/5A,箱体可能是最容易做到的。板材的材料与厚度、外观、内部结构、网罩等等方面要做到神似应该不难。原版的LS3/5A一直采用压制的密度板,这是一种经济且对声音有好处的材料,也被绝大多数音箱采用,因此你基本上看不到完全原木制作的LS3/5A。锐榜LS3/5a采用中密度板,外饰为原木皮,外观尺寸与原版的LS3/5A差不多,只是装饰上有所差异而已,而装饰上的差异,对声音表现没有决定性的作用。
外观上,LS3/5A是具有独特特点的,比如内镶的面板、安装在面板后面的中低音喇叭,最典型的是裸露着两条连线并且没有面板的高音单元、还有高音单元外围的棉框。但有些复刻品不明所以,用了无面板的高音,但没有用上棉框,或者用上了有浅号角面板的高音,但仍然加了棉框,这两种都是忽视了棉框在声学上的作用。所以复刻它,必须了解它为何要这样设计。
复刻LS3/5A,并不是把性能优秀的单元用上就好,而是要找到性能接近于原厂的单元,同时密闭箱对于单元的Q值是有所要求的,但要在市面上找到合适的单元并不容易,而锐榜有着单元的设计和生产的能力,这就给单元的复刻提供了可能。从材料和工艺上,锐榜力求接近于原厂的单元,但也作了一些必要的改进,如高音振膜的材料,采用了丝膜而不是原厂单元采用的Mylar(迈拉),有效减降低13-15kHz位置上的波峰,这样一来,分频器也无需在此频率上作修整。
与一些复刻版的LS3/5A不同,锐榜 LS3/5A是力求接近原版,目的是向经典致敬,而不是超脱。因此喇叭阻抗设定为经典的11Ω,频响也与原厂相似,力求性能上的接近,喇叭的复刻也力求接近原厂。其实这样的复刻,难度是很大的,首先不可能做到和原版完全一样,但做到接近是可以的。但如果不完全遵循原版的设计,要超越它也不是不可能,比如低频的延伸更好,承受的功率更大等等,虽然也不错,但那已经不是LS3/5A了。
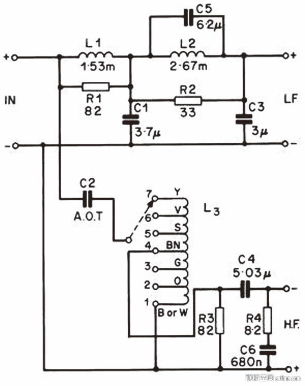
复刻LS3/5A,分频器也是一个重点。原版的分频器相当复杂,其原因是BBC有严格的频响曲线标准,达到这个标准才给予认证,才是正宗的LS3/5A,要达到这个标准,分频器必须作相应调整。任何喇叭单元的频响曲线都不可能是平坦的,而那个时代的喇叭生产技术不比现在高明,要达到BBC的标准,就必须加入一些补偿,让它有相对平坦的频响曲线,因此分频器就复杂化了。所以我们可以发现,即使生产LS3/5A的品牌有不少,声音上确实也有一些差别,但整体声音风格依然统一,最后只能将这种声音称为BBC之声,这在音响界是独树一帜的。
由于分频器对于声音的过多修补,所以LS3/5A音箱的效率不可避免地降低,加上密闭箱的缘故,使得它的效率很难高于86dB。锐榜LS3/5A的分频器当然不可能另辟蹊径,仍然要采用原版的电路设计,但也不可能照搬,因为采用的单元不一样了,即使是复刻,单元是有差异性的,所以我们看到,锐榜LS3/5A的分频器是在原版的基础上进行一些修改,不仅零件的参数与补偿电路有所改变,零件的使用也是不一样的。
早期的LS3/5A,分频器电感基本是类似E型变压器的铁芯电感,中后期则多为磁芯电感,铁芯电感和磁芯电感容易磁饱和这个问题是被诟病的,它不怎么符合发烧理念,而现在推出的音箱产品,只有低档的产品为了节约成本,才采用铁芯电感或磁芯电感,稍微上档次一点的都用上空芯电感甚至铜箔电感。
但铁芯电感和磁芯电感也并非一无是处,他们的优点是,采用同样粗细的导线,要达到同样的电感量,铁芯电感和磁芯电感绕制的圈数要比空芯电感少,因此电阻比较低而利于电流的传输。另外铁芯电感和磁芯电感用在高音分频网络上,比用在低频网络上的影响更大。所以我们看到,锐榜LS3/5A的分频器,由于高音分频网络上的电感量比较低,因此用的是性能更佳的空心电感,而中低音分频网络上由于电感量比较大,因此采用了电阻更低的磁芯电感。所以这样的使用有它的合理性,既保证了一定的性能,也降低了成本,让更多的发烧友能以相对便宜的价钱拥有这款音箱。
> 套件摩改的一点看法
2016年第一届爱心DIY活动时,我们是选用了制作难度较高的丽磁胆机套件,2019年第二届爱心DIY活动选用的是安装简单的DIVINI AUDIO(天乐)音箱套件,而这次选用的是安装稍微复杂一些的锐榜 LS3/5A音箱套件(但其实也是拧螺丝、接插连线的免焊套件而已)。
笔者认为锐榜 LS3/5A音箱套件有不少摩改升级的余地,其重点在于分频器。对于没有修改分频器能力的普通玩家来说,可以将分频器的零件更换为更高级的零件。比如你可以将低音分频网络的电感换成空心电感,所有的电容更换成性能更好的产品,连线也可以更换。内部的吸音材料也可以作调整,也可以试试调整螺丝的松紧程度。
锐版LS3/5A的设计师文涛先生特别介绍到:“我们是经过仪器测量和实际听感相结合而设计出的分频器,虽然这次LS3/5a以套件形式出售,用家可以自行升级更高级的电阻和电容,不同介质的电阻和电容对声音确实会起到微妙的变化,但是建议玩家升级到数值相同的电阻和电容,如果更换了数值不同的产品,整个分频网络就会有变化,对于没有仪器的玩家是很难调得好的。”
音响在于“玩”字,这是乐趣所在,因此想要挑战自己的玩家,也可以对分频器的电路进行细小的修改,使音箱发出更符合自己口味的声音,用家最好保留原版的分频器,以备复原之用。当然,若用仪器来辅助修改分频器那就更好了。
上届爱心DIY活动,有技高一筹的参赛者甚至摩改起单元,且获得成功。不过在这里提醒一下,摩改单元,会影响产品的保修,切记切记!
浏览 1,671











新浪
淘宝






