挖掘声雅靓声的秘诀:声雅何总亲自解构A-203HD甲类合并式全平衡放大器
原作者: 编辑部
摄影: 编辑部
简介:产品零售价:¥18800元/台 本刊的编辑们经常走访声雅,也经常听主编介绍声雅,因此对声雅已经有了非常深的了解。声雅诞生于1991年5月;胆前后石是他们的一个响亮的招牌;声雅长期与德国公司合作负责生产的一个外销 ...
产品零售价:¥18800元/台
本刊的编辑们经常走访声雅,也经常听主编介绍声雅,因此对声雅已经有了非常深的了解。声雅诞生于1991年5月;胆前后石是他们的一个响亮的招牌;声雅长期与德国公司合作负责生产的一个外销品牌,其产品深受外国玩家的欢迎;多年前,本刊主笔怀冰推荐声雅推丹拿得到许多的用户喜爱;近期,ATC专门选用声雅功放搭配旗下的音箱,让更多用户对声雅有了新的认识……这些都是声雅多年来一步一脚印的积累。
去年年底,本刊试音室收到了声雅最新推出的A-203HD甲类合并式全平衡放大器,由A-203,到A-203MK、A-203GS,再到这次的A-203HD,本刊的编辑都对它们非常了解,看到声雅又有新的进步,也是非常的欣慰。这次的A-203HD,除了加入数字解码、增加了胆差分放大等功能之外,并没有延续以往的100W纯A类的功率,而是采用了50W以内纯A类,50-250W为AB类的自动切换,满足用家对大功率、以及对纯A类独有声音的追求。
经过一翻拆解和试听之后,编辑部的同事一致认为声雅A-203HD是一台非常高水平的合并式功放(详细的测评可留意2020年1月刊19页的《纯粹细腻 通透深邃——声雅A-203HD甲类合并式全平衡放大器》,也可在微信公众号“视听至前线”中搜索)。编辑部的同事也想更深入地了解这台机器,于是,便想邀请声雅何总,通过详尽的介绍A-203HD,解密声雅的技术特色。由于疫情的原因,一直拖延到3月份才成行。于是,有了这篇封面特写文章。这篇文章是根据与何总的对话录音以及视频片段整理的,因此以第一人称写成。而何总亲自介绍这款机器的视频,将会在微信公众号“视听至前线”中发布,敬请留意。
声雅何总解构A-203HD合并功放【精简版】
下面,我们跟随声雅何总的介绍,一起深入了解这台全新的A-203HD。
全新第四代的203
今天我在这里向大家介绍我们最新推出的合并功放,型号是A-203HD。对于A-203这个型号来说,这是第四代的产品,第一代是2008年开发的A-203的合并功放,当时开发这台机的目标是:首先是要纯晶体管设计,第二是纯A类,第三是全平衡的电路结构。第二代是在2012的时候,升级成A-203MK,推出A-203MK三年后的2015年,就升级成A-203GS,从A-203到A-203MK再到A-203GS,都是纯晶体管、纯A类100W、全平衡的模拟放大器。随后就到现在这台在2019年开发的A-203HD。
再说说A-203HD与以往几代的区别。首先,为什么会有HD,HD的意思是:D代表Digital,增加了数码输入,H的意思是High Power高功率的意思。这台机脱离了以往A-203到A-203MK再到A-203GS的纯A类100W,一跃跳升到250W AB类,但这台机就不是纯A类了,但在50W 以内是纯A类,在50W-250W的范围则是AB类,当然这个A类到AB类的转换过程是自动的,根据音频的输出功率自动切换A类或AB类。
再次引入“前胆后石”电路
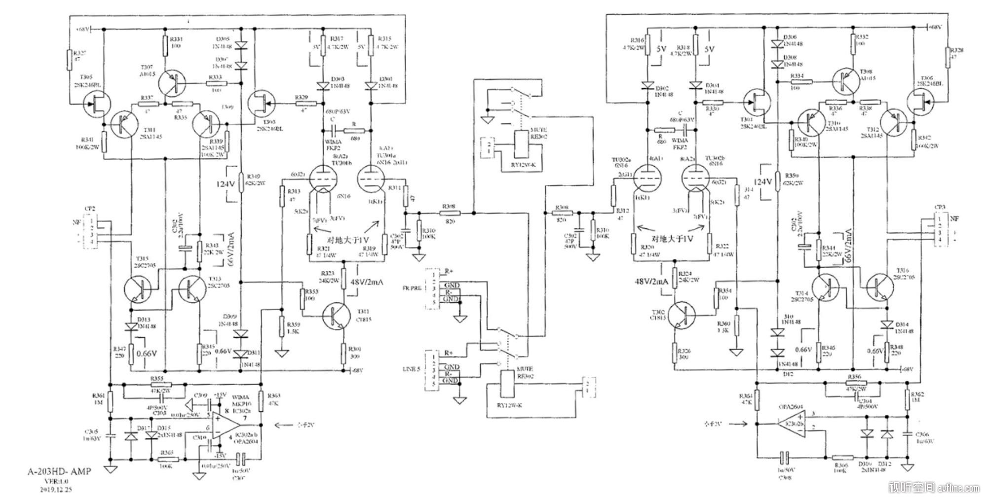
此外,这款产品最重要的改变除了输出功率由100W纯A类变成250W甲乙类之外,更大的变化是重新引入了电子管这一元器件。为什么我们要做这些改变,对于声雅来说,大家熟悉的声雅都是“前胆后石”的设计,可以说是声雅的“招牌菜”,但以往“前胆后石”的电路模式,都是在外国市场上应用,而此次A-203HD的“前胆后石”电路模式,是首次在中国市场上应用。
大家也很清楚电子管的优点——音色的保障、能够将微弱信号有效放大、强大动态等,这些也是音响玩家津津乐道的。原来的203系列,我们采用了场效应管放大线路,现在将它变成电子管。A-203HD的胆石混合电路是DC直流化的电路,不像其它产品采用AC交流需要有交连电容的电路,因此实际上跟晶体管电路很接近,我们就将场效应晶体管换成电子管,引入电子管之后,我们将这台机的输出功率提升到250W,将电子管宽频放大及强大动态的特征结合一起,发挥到能够将应有的表现尽情展现。
下面我们先介绍一下主放大板的核心技术。主放大板采用了6N16指母型的电子管,这些电子管与一般的电子管不一样,其原本用于军工/气象监测当中,因此对微弱信息的放大非常敏感,可靠性、稳定性也十分高。另外一般我们看到的电子管,都是通过管座安装的,而我们采用的是焊接式的电子管。它的优点也非常明显——长时间使用后,不会出现氧化、接触不良等问题。我们采用这种电子管就是为了它的高度可靠性,以及它的结构能够很好防止麦克风效应,我们也为其设计了专门防震的结构,能够防止工作时的震动影响声音的纯洁度。
为了满足电子管运行的条件,我们设计了一个全新的供电系统。众所周知,电子管运作一定要有高电压以及一组灯丝供电,因此高压部分采用的电压是±68V的高电压,整流出来未稳压的电压接近±100V,采用了德国Mundorf蒙多福的高压油浸电容,有着电压控制、稳压控制、音色调校的功能,红色WIMA威马电容则是滤波专用的电容,还有日本nichicon电容也是滤波专用。值得一说的是,很多人觉得这些就是发烧补品,其实我们认为只是普通制品,市面上更有很多极品补品电容,我们认为不是补品越多越好,够用、对声音有帮助就好。
电子音量控制获得更低的误差
由于A-203、A-203MK、A-203GS都是采用了电子音量控制,在A-203HD上同样采用了电子音量控制,我们一直都是采用美国Crystal水晶公司的CS3310电子音量控制芯片,令声道之间误差电平控制在0.5dB之内,大大优于机械式电位器3dB控制精度。我们从使用电子音量控制开始,就一直采用这片芯片,虽然现在市面上很多新的芯片,但是我们测试过,无论是动态、音色、音质等,这片芯片目前还是相当不错的,同时,电子音量的电源供电也是十分重要的,我们研究了很长时间,才有了现时这样的供电电路。由于采用平衡放大形式,我们采用了两片,每声道各用一块芯片。
值得留意的是,以往203系列的信号通路中,前端输入的信号首先经过AMP-1模块进行5倍的放大,然后再交由CS3310音量芯片进行音量控制,最后再到后级部分进行放大,因此AMP-1模块将信号放大后再交由音量芯片进行衰减,此处会引入更多的失真。而现在的A-203HD则是在前端输入的位置设置一组运放作为阻抗匹配使用,并没有进行放大,随后交由CS3310控制音量后,交给后级输入由电子管作胆石混合式差分电压放大,晶体管作第二级差分电压放大,末级由32只大功率晶体管组成强大功率输出级。
32只功率管组成强大的输出级
接着来说说我们功放管的线路板。由于这台机需要拥有250W(8Ω)甲乙类的输出功率和50W的甲类,并且采用全平衡的放大模式,一个声道的一个相位就采用了8只大功率管,每个声道就动用了16只功率管,整机共32只作为强大的输出级,功率管直接安装在散热器上。当阻抗下降至4Ω时,功率能够翻倍至500W。这台机器最大的输出电流,可以达到90A!因此功放板的喇叭线则是我们经过多番测试而采用的进口线材,其横截面接也是非常大的,这样才能够传送这么大的电流。
而旁边的小电路板,是自动切换A类/AB类的系统,根据温度和功率自动调节。前面板当中的A类开关则是是否让机器长期处于A类状态当中,上方的绿色LED灯,则是显示现时的工作状态,亮起即为AB类,灭掉为A类工作状态。
强大的电源系统
下面我们来看看A-203HD主供电的电源滤波系统。由于这台机有着非常大的输出功率,总共有12只日本Elna 10000μF 80V的电容,每声道60000μF的大水塘。大容量的电容的高频特性,往往会不太好,因此我们增加了一些小容量的德国WIMA威马电容并联,减低高频内阻,让高频的解析力更好。
变压器部分,我们采用了1000W的变压器,原因是203HD有着250W(8Ω)的输出功率,而4Ω的时候有500W每个声道,两个声道加起来就需要1000W的电源变压器,才能够保障输出功率的倍增。大家知道变压器工作的时候会产生震动,因此在机器内部采用铁板作为支撑件,采用井字形的支架结构作为支撑固定,通过两侧散热板和前面板强硬的结构承载其重量,同时还能起到电磁屏蔽的作用,防止干扰主放大器的运行。
设有多组模拟输入
A-203HD设有5组输入,其中,Line 5是后级输入,设有平衡和非平衡连接,可以连接两台音色不相同的前级,模拟输入设有3组RCA和1组XLR。A-203HD增加了数码音频解码功能,因此Line 1档是数码输入,数码输入设置了光纤、同轴和USB-B三种接口,在前面板的右下方旋钮可选择对应的数码输入。喇叭输出方面采用了8个高等级的接线柱,方便用家使用Bi-Wire双线分音的接法。电源插座采用了古河镀金的插座,确保大电流通过的能力。
紧贴时代步伐的数码输入
A-203HD的数码音频部分,USB采用了XMOS的方案,是目前主流的USB接收方案。解码芯片方面采用了ESS9038Q2M这款目前算是顶级的解码芯片,最高支持32bit/384kHz的PCM与DSD256的音频数据。解码后的信号交由低通滤波进行处理,这里采用了JRC的5532运放。这是声雅第一次将解码功能加入到合并功放之中,解码能力也是紧贴时代的步伐,提供多方面的音源输入,方便不同需求的玩家使用,特别是方便了现时数码流媒体玩家的使用。而整个系统的选料,我们都会非常细致地考虑到各个方面的搭配,就算是数码电路板上的贴片电容,都并非普通品,也是为了更佳的声音表现。
总结
203系列是声雅近10多年来非常成功的产品,目前已经发展到第四代——A-203HD,是声雅首次在合并功放当中加入解码功能,并且在国内市场再次引入“前胆后石”设计的首款产品,也是从100W纯A类跳升到50W以内纯A类,50-250W则是AB类放大,在大功率、音色等方面取得很好的平衡。在何总的介绍之下,相信大家对这台机器会有更加深刻的印象,正在寻找一台“前胆后石”、大功率、带有A类、全平衡并且带有数码输入的合并机,不妨到当地经销商处试听一下。
浏览 4,505

















新浪
淘宝






